先來設計延時開關。
延時開關是利用電容器充電時,電容器兩端的電壓逐漸上升的特點來實現的。
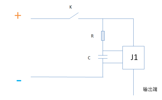
看一下RC電路:


接通電源后,電容器開始充電,開始時,充電電流最大,電容器可以看作是一個較小的電阻,根據歐姆定律分壓定理,C兩端的電壓較小,
當C充電完成后,C相當于一個斷路,電阻無窮大,根據分壓定理,C兩端的電壓等于電源電壓。
R越大、C越大,充電時間越長,R越小、C越小,充電時間越短。
在RC電路里接入一個繼電器,就可以組成延時開關。


設R=10歐,J1的控制端電阻為R1,R1=10歐,電源電壓為2伏,J1控制端的工作電壓是1伏,即當控制端電壓為1伏時,J1導通。
開關K閉合后,RC電路接通電源,C開始充電,C充電過程中,C可以看作是一個電阻和J1控制端并聯,設并聯電阻為R2,可知R2<R1=R,
即J1控制端兩端的電壓小于1伏,J1處于斷開狀態。
當C充電充滿時,C為斷路,電阻無窮大,此時,電路就變成了R、R1的串聯電路,R1兩端的電壓為1伏,達到J1控制端工作電壓,J1導通。
J1導通就是延時開關導通。從K閉合到J1導通,中間會經歷C的充電時間,這就是延遲時間。
當R和R1的阻值確定時,C越大,充電時間越長,C越小,充電時間越短。
也可以把R、R1和C一起納入參數計算,計算出符合要求的充電時間的R、R1、C。就是說,不單可以調節C的大小來獲得要求的充電時間,也可以調整R、R1的阻值來調節充電時間。
實際上,這里R1和C并聯,對充電時間的影響可能有點復雜。
但實際上,也不需要精確計算,根據經驗和一些調試,可以獲得適當的R、R1、C,滿足要求的充電時間。
用三極管電路表示延時開關:


在電路中,延時開關的示意圖:


輸入端接通電源正極后,延遲一段時間后,輸出端輸出1,也就是高電位,也可以說是正極電壓。
注意,輸入端接通電源正極后要一直接通電源正極,延時開關才能正常工作。
再來看脈沖延時開關,《設計邏輯電路的開關元件》里介紹了雙穩態開關,
雙穩態開關的示意圖:


因為一般只用得到一個輸出端,所以只畫出out1。
延時脈沖開關的電路圖:


輸入端輸入一個1脈沖時,雙1的out1變為1,觸發延1,延1開始充電,到延遲時間后,延1輸出1,輸出端輸出1,雙2的out1變為1,觸發延2,延2開始充電,到延遲時間后,延2輸出1,雙1、雙2的out1都變為0,本次工作過程結束。
在本次工作過程中,輸入端輸入1脈沖后,經過延1的延遲時間,輸出端輸出1,從此時又經過延2的延遲時間,輸出端輸出0,雙1、雙2的out1變為0,延1、延2放電,放電到一定程度后斷開,斷開后仍然放沒放完的電,放電完成后整個電路恢復為初始狀態。
在本次工作過程中,輸出端輸出了一個1脈沖,脈沖寬度是延2的充電時間,也就是延2的延遲時間。
其實這個設計是存在問題的,延2輸出1是雙2out1=1支持的,若雙2out1=0,則延2輸出0,而延2輸出1使雙2out1變為0,雙2out1變為0則延2輸出0,這就形成了一個循環依賴,這可能會導致不穩定的問題。
總的來說,這是一種直接反饋,這種直接反饋可能導致不穩定,或者說預期外的結果。
但這似乎又和實際的元件和電路的品質表現有關,對于理想的元件和電路,這樣的設計似乎沒問題。
理想的元件和電路,對信號的響應是即時的,大概可以說是只需要“很短的時間”,且各元件對響應保證完成和保證按順序完成,這樣就不存在問題。
實際中,延2輸出1,使得雙2out1變為0,需要確保一小段時間,在這段時間內,即使雙2out1變為0,但延2仍然可以輸出1,確保雙2out1變為0,這段時間后,延2才輸出0。
如果這個問題存在,要怎么改進設計?留給大家思考,我懶得畫了,哈。
我們假設這個問題不存在,接著分析。
電容器的充電放電是一個挺麻煩的事情,以延1為例,電容器充電充滿,則延1接通。雙1輸出0時,相當于延1和電源斷開,電容器放電,而放電必須在下一次充電之前完成,也就是必須在延時開關下一次被觸發前完成。
最快的情況,本次操作后執行下一次操作,下一次操作完成后又返回調用本次操作,這類似于程序里的循環和goto。
這就要求本次操作的放電時間要小于下一次操作的充電時間-對下一次操作輸出1的時間(1脈沖的脈沖寬度),且越小越好。
如果本次操作的時間很長,就意味著本次操作的充電時間很長,如果下一次操作的時間很短,就意味著下一次操作的充電時間很短,這要求本次操作的放電時間更短,
于是,這就要求本次操作的充電時間很長而放電時間很短,這在技術上做到比較有難度。
因為這要權衡充電電阻和放電電阻,從上文電路圖可以看到,充電電阻是R,放電電阻是繼電器控制端線圈電阻。
對于NPN型三極管電路,放電電阻是基極電阻+基極和發射極之間的電阻+發射極電阻。
基極電阻是連在基極上的電阻,發射極電阻是連在發射極上的電阻,
基極和發射極之間的電阻=三極管內部基區電阻+發射區電阻+基區和發射區之間PN結的電阻
當然,事實上,還有一部分放電電流是通過充電電阻R,流到集電極,又流到發射極,又通過發射極電阻來到電容器負端。
所以,要權衡設計這些電阻,而發射極電阻還關系到輸出電壓,這跟連在發射極上的外部電路的電阻(阻抗)又有關系。這是不是“輸出阻抗”問題?
電容器放電剛開始的一段時間內,延1可能仍然是導通的,這段時間要不要算到延時開關的導通時間里,也就是輸出的1脈沖的脈沖寬度里?
而延1的輸出端一方面作為延時脈沖開關的輸出端,一邊和雙2的in1相連,雙2的in1在out1為0時,in1會輸出一定的低電壓,這會通過輸出端和外部電路產生耦合,要不要在延1和輸出端之間加一個繼電器或者三極管開關解耦?
又或是在延1和雙2之間加一個繼電器或者三極管開關解耦?
或者把輸出端設在雙2的out1,以雙2的out1作為延時脈沖開關的輸出端,但這樣延2的輸入端會和外部電路產生耦合,延2放電的時候,放電電流會流向外部電路。
這似乎引出了“輸入阻抗”和“輸出阻抗”的問題,兩個元件要連在一起用,輸入阻抗和輸出阻抗要匹配,或者說符合彼此給出的規格,大概就是輸入阻抗和輸出阻抗問題吧。
規格是指阻抗的范圍,兩個元件要連在一起用,自己的輸出端阻抗要在對方給出的輸入阻抗范圍內。以及,對方的輸入端阻抗要在自己給出的輸出阻抗范圍內。
耦合是普遍存在的,但,通過制定統一的輸入輸出接口,可以進行管理和調節。
輸入輸出接口可以減小耦合,統一輸入輸出接口可以對輸入輸出的耦合統一計算,可以計算很多元件連在一起用時的耦合積累,可以計算得到并聯的最大情況的耦合和串聯的最大情況的耦合,并將它們控制在一個比較小的范圍內,在這個范圍內,耦合對電路的影響不大,電路可以正常工作。
通過對電路參數的設計,以及晶體管的技術品質的提升,可以在元件數量很多時,耦合的累積量仍然很小,不會超過某個范圍,就像數學上的極限。
這是一種比較理想的情況。
晶體管的技術品質,比如開關特性,開時,電阻很小,關時,電阻很大,開關的反差越大,則電路的誤差耦合越小,電路越穩定,電路的規??梢宰龅脑酱?。電路規模指元件數量。比如大規模集成電路,超大規模集成電路。
誤差耦合就是上面說的不需要但是又存在的耦合,這些耦合會造成電路的誤差,誤差在一定范圍內,電路可以正常運行,表達預期的邏輯,誤差積累超過一定范圍,電路會出錯,表達出錯誤邏輯,比如開變成關,關變成開,或者,該開不開,該關不關。
數字電路的誤差耦合可以分為2大類:
1基本開關電路的誤差耦合
2特定電路的誤差耦合
先說說基本開關電路的誤差耦合,理論上,繼電器,是一個理想的開關元件,可以說不存在誤差耦合。因為繼電器的控制端和輸入輸出端是獨立的2條線路,所以,繼電器沒有基本開關電路的誤差耦合。
三極管的基極、發射極、集電極共用一條線路,相當于控制端和輸入輸出端共用一條線路,所以,三極管開關電路存在基本開關電路的誤差耦合。
特定電路的誤差耦合比如上文說到的雙穩態電路的in1和延時脈沖開關的輸出端直接連接時,可能通過延時脈沖開關的輸出端向外部電路輸出低電壓。又比如上文說到的延2的輸入端和延時脈沖開關的輸出端相連時,可能通過延時脈沖開關的輸出端向外部電路輸出放電電流。
假設本次操作和下一次操作的延時脈沖開關的延遲時間一樣,下一次操作完成后又返回執行本次操作,那么,簡單的,理想的,這兩個操作的延時脈沖開關交替輸出的脈沖可以用一個方波來表示:


簡單的,理想的,延1的充電時間可以認為是方波的一個周期,放電時間應在0半周以內,且越小越好。上文說了,技術上,要讓放電時間遠小于充電時間實現起來可能比較困難,在這里,因為充電時間=一個周期=1半周+0半周=1半周+最大放電時間,可以讓0半周比1半周長比較多,這樣,充電時間仍然大于放電時間,但是放電時間的范圍變大了,或者說,0半周比1半周越長,最大放電時間越接近充電時間,技術上比較容易實現。


對于延2,充電時間是1半周,放電時間是這個周期的0半周+下個周期,所以,延2允許的放電時間遠大于充電時間,這個技術上容易實現。
注意,是允許的放電時間遠大于充電時間,允許的放電時間最大可以達到這個周期的0半周+下個周期這么長,但不是說要做到這么長,事實上,應該比這個小,越小越好。


上面說的這些問題,早期的電子計算機工程師應該都碰到過,或者說,經歷過。
再來看一次性開關,這里會用到開關元件,開關元件的示意圖:


控制端是1時,輸入端輸出端導通,控制端是0時,輸入端輸出端斷開。
開關元件可以是一個繼電器,也可以是三極管開關電路,等等。
三極管開關電路圖:


一次性開關電路圖:


控制端輸入1脈沖,雙1的out1變成1,使開關1導通,之后,輸入端輸入1就可以通過開關1,使雙2的out1變成1,使開關2導通,
之后,當輸入端的1結束后,就變成了0,0使非門輸出1,通過開關2輸出到雙1的in2,使雙1out1變成0,開關1斷開。
開關1斷開后,輸入端無論輸入什么,輸出端都是0,這就是一次性開關的效果:當控制端輸入1脈沖后,一次性開關開始工作,輸入端和輸出端導通,當輸入端輸入1脈沖時,輸出端輸出1脈沖,1脈沖結束后,一次性開關停止工作,輸入端無論輸入什么,輸出端都是0。
還有,當控制端輸入1時,雙1out1會輸出1到雙2的in2,使雙2out1變成0,開關2斷開。這樣就切斷了非門和雙1in2的通路,不然,非門輸出的1會阻止雙1out1變成1。在上一次使用后,雙2out1一直是1,開關2一直導通。
還要說明一點,雙穩態開關在第一次使用前要設置初始狀態,因為,接通電源后,雙穩態電路的狀態是隨機的。如果要求初始狀態是out1=1,可以讓in1=1來設置這個初始狀態。
烜芯微專業制造二極管,三極管,MOS管,橋堆等20年,工廠直銷省20%,4000家電路電器生產企業選用,專業的工程師幫您穩定好每一批產品,如果您有遇到什么需要幫助解決的,可以點擊右邊的工程師,或者點擊銷售經理給您精準的報價以及產品介紹
烜芯微專業制造二極管,三極管,MOS管,橋堆等20年,工廠直銷省20%,4000家電路電器生產企業選用,專業的工程師幫您穩定好每一批產品,如果您有遇到什么需要幫助解決的,可以點擊右邊的工程師,或者點擊銷售經理給您精準的報價以及產品介紹

