幾種常見的雙電源裝置介紹
做過市電的雙電源切換配電箱,控制線路里添加繼電器,再外接遠程控制線實現主備電源遠程切換和監控。自己畫CAD圖紙,和同事共同打孔、定位、安裝、測試,不亦樂乎!當時剛工作,做完很有成就感?,F在回想,其實也很簡單,只要控制兩個接觸器的線圈就行了,實現兩個交流市電切換。
在此總結一下自己身邊有哪些雙電源設備。
1、STS靜態切換開關
靜態切換開關使用晶閘管完成兩個交流單無中斷切換。維諦UPS內部,旁路與主路間是STS; 維諦STS,切換兩個系統輸出,即使兩個電源不同步也可以無間斷切換。


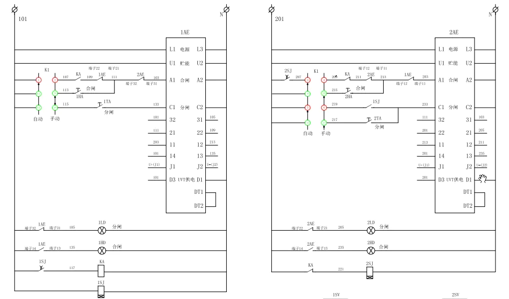
2、ATS自動轉換開關
自動轉換開關是機械開關,切換存在時間,切換時負載會中斷。像配電箱一樣,可以控制兩個接觸器來完成切換。大負載時,接觸器往往容量受限,需要使用框架斷路器,利用框架的控制線路來完成兩路交流電切換,同時兩個框架斷路器還可以增加機械互鎖功能?,F有個三菱框架控制線路圖,是當時更換框架斷路器時,一步步找線理出來的圖紙,請大家參考學習,看看控制功能。


3、二極管實現兩路直流切換
在兩個發電機的二次控制線路中,需要直流電源進行供電控制,但兩個發電機有兩組電池,需要選擇一路供電。四個二極管搞定,誰電壓高誰供電,但是二極管要選擇功率稍大的電力二極管。


4、一個繼電器切換兩路交流電
控制線路需要從兩路交流電選擇一路,一個繼電器可以簡單完成這個功能。1號電源有電就有1號電源,無電就切換到2號電源。此方法是給二次控制線路供電,一次線路傳遞能量不可用。


5、交直流供電的通信設備
通信機房很多設備是交流和直流供電,交流是UPS輸出,直流是直流電源輸出。按照配置要求,直流電源不經過UPS。對于通信設備而言,其實交流接入后,里面的整流器會將交流變換為直流供電。現在討論一下怎么保持交流電源為主用呢?沒有拆卸過通信設備(太貴不敢拆),我的理解是和上面第3個二極管切換兩路直流一樣的,只是交流電整流輸出的電壓調節到比直流電源輸出電壓稍高,這樣交流電就為主用了。交流電一掉電,直流電電壓還在,保障通信設備電源不中斷。不知道真實情況是不是這樣,望指教。
在網絡論壇上看到一則帖子,白天要太陽能供電,晚上市電整流供電,除非白天太陽能供電不足才市電供電。是不是可以套用上面的方法呢?
6、兩路交流供電負載均衡
怎么負載均衡,就是兩個交流電源電流接近。舉例兩個UPS組成并機系統,UPS輸出要均流,怎么辦呢。誰電壓高誰強勢,電流就往哪里走,那電流低了怎么辦,微調高電壓就行了。查看艾默生UPS手冊,UPS并機時,輸出可以增加均流電感,把兩個UPS輸出的阻抗拉到差不多,減少輸出電纜電阻不一等不均流的因素。
烜芯微專業制造二極管,三極管,MOS管,橋堆等20年,工廠直銷省20%,4000家電路電器生產企業選用,專業的工程師幫您穩定好每一批產品,如果您有遇到什么需要幫助解決的,可以點擊右邊的工程師,或者點擊銷售經理給您精準的報價以及產品介紹
烜芯微專業制造二極管,三極管,MOS管,橋堆等20年,工廠直銷省20%,4000家電路電器生產企業選用,專業的工程師幫您穩定好每一批產品,如果您有遇到什么需要幫助解決的,可以點擊右邊的工程師,或者點擊銷售經理給您精準的報價以及產品介紹

