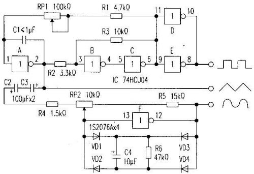
電路如附圖,采用一片六反相器數字集成電路74HCU04組成,可同時輸出矩形波、三角波和正弦波三種信號,信號頻率在10Hz~1MHz連續可調。A~F為六個反相器,A和C1組成積分器,B、C、R2、R3組成施密特電路,當把施密特電路的輸出信號通過R1和RP1反饋至積分器輸入端時,就組成一個方波振蕩器。振蕩頻率可按下式近似表示:fosc=1/4 [(R1+RP1)C1](R3/R2)。調整RP1可改變fosc,若最小振蕩頻率取為1的話,其振蕩頻率可在1~20倍的范圍內連續調整。C1容量大小與振蕩頻率fosc的關系如附表。


F、R4、RP2、R5組成線性反相電路。用VD1~VD4四只二極管組成電橋.對三角波頂部進行限幅,變換成正弦波。調節RP2的值.可使正弦波的失真率最小。

烜芯微專業制造二極管,三極管,MOS管,橋堆等20年,工廠直銷省20%,4000家電路電器生產企業選用,專業的工程師幫您穩定好每一批產品,如果您有遇到什么需要幫助解決的,可以點擊右邊的工程師,或者點擊銷售經理給您精準的報價以及產品介紹

烜芯微專業制造二極管,三極管,MOS管,橋堆等20年,工廠直銷省20%,4000家電路電器生產企業選用,專業的工程師幫您穩定好每一批產品,如果您有遇到什么需要幫助解決的,可以點擊右邊的工程師,或者點擊銷售經理給您精準的報價以及產品介紹

