MOSFET就是我們俗稱的MOS管,常用的就是用MOS管來做開關器件。
我們通常選MOS管會希望其有如下的參數:
1、耐壓足夠高,避免DS的擊穿。
2、導通電流足夠大,保證功率的輸出足夠。
3、體積小發熱低,避免過熱損壞器件。
4、開關速度要快,因為要經過可變電阻區,所以要盡快, 避免過多的發熱損耗。
各個參數介紹:
一、擊穿電壓
DS可承受的最大電壓,這個參數也并不是越大越好,耐壓高的管子,一般通態電阻也比較大!
二、導通電流
Id,持續漏極電流,通常和通態電阻有很大關系。
三、體積和發熱
熱阻:熱量在傳導過程中受到的阻礙作用,用R表示。單位℃/W.
我們自然希望熱阻越小越好,那樣熱量就會散發出去,而避免管子過熱而損壞器件。通常相同參數的MOS管,體積越大,熱阻就越小,散熱越順利。通常對于MOS管我們還會進行輔助散熱,諸如增大散熱片,線路板面積的鋪銅等措施。
四、開關速度
開關速度如何處理不好,那么導致對應的發熱可能比通態電阻造成的發熱還大!
究其原因還是因為MOS管不是理想的導通和截止,而是需要一段時間。例如導通,電壓逐漸降低,電流逐漸升高,這段時間內,電壓和電流都不為0,對應就會產生一定的發熱功率。
當然如果是長時間持續的導通或者關斷的狀態也倒是無所謂,但是一般MOS管都是出于高速開關管的狀態。這時候對應的損耗就不容小覷了。

1.MOS管的開關損耗與導通損耗
通常解決辦法有 零電壓開關技術(ZVS)和零電流開關技術(ZCS)。
MOS管原理:
MOS管是一個柵極電壓控制漏極電流的器件。
柵極從外部來看的話可以等效成為一個電容的,控制MOS管的開關就是電容的充放電。一旦超過開啟電壓(2~4V)再繼續增加就會進入可變電阻區,繼續升高就會進入恒流區。
電容兩端的電壓不會突變,升降需要一個過程,這個過程越快也即是開關速度越快,對應的開關損耗也就越低。

2.柵極充放電等效電路
常情況下,電流越大,對應的柵極電容也就越大也就是說開關速度慢。但是電流越大,對應的功率也就越大,它們是相互制約又相互聯系的,所以,在參數選擇上,要做到均衡。
柵極電阻的作用
說一千道一萬就是想盡可能高的提高開關速度,而柵極電阻的存在勢必會影響開關速度,即電容的充放電速度。那為何還要保留呢?

3.柵極的寄生振蕩
如果沒有柵極電阻,由于各種雜散參數的影響,會產生柵極的寄生震蕩。甚至還有嚴重的過沖現象的發生。
MOS管內部的二極管
通常在MOS管的DS之間是并有一個二極管的,性能堪比快恢復二極管。這就是為什么MOS管驅動感性負載不需要在額外并聯二極管的原因。
MOS管驅動電路
驅動電路要求足夠的充放電電流,在高速狀態下,不能使用上下拉電阻來提供相應的高電平和低電平,否則將嚴重降低開關速度,增加通過可變電阻區的時間,降低效率。那該怎么辦呢?
慢開快關場合驅動電路

4.簡化后慢開快關電路
在避免寄生震蕩的前提下(保留柵極電阻),在柵極電阻上并聯一個二極管。
這樣在是低電平的時,可以達到快速截止的效果。
負壓截止場合驅動電路
先來說一下負壓截止的好處
①、保證快速截止。由RC充電模型可知,在0~5V的參考區間內,-5~12的關斷速度要遠大于5~12的關斷速度。
②、保證可靠截止。 因為MOS管的GD間有較大的電容存在,因此來自負載的高頻干擾可能通過Cgd在柵極產生感應電壓,該電壓可能導致MOS管的誤導通,而負壓截止在一定程度上避免此種情況的發生。
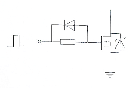
一般驅動電路設計

5.MOS管驅動電路參考
這里有一點不同了,就是那個R2和穩壓管。
Q:R2啥作用?
A:MOS管柵極輸入阻抗高,在引腳懸空的狀態下,很容易在柵極形成較高的感應電壓而使得管子誤導通,R2的存在可以保證可靠的下拉截止。典型值10K。
Q:穩壓管的作用?
A:將柵極電位鉗位,避免擊穿柵極電容,造成MOS管的損壞。
取值應高于驅動電壓,低于最大承受電壓。
電話:18923864027(同微信)
QQ:709211280
〈烜芯微/XXW〉專業制造二極管,三極管,MOS管,橋堆等,20年,工廠直銷省20%,上萬家電路電器生產企業選用,專業的工程師幫您穩定好每一批產品,如果您有遇到什么需要幫助解決的,可以直接聯系下方的聯系號碼或加QQ/微信,由我們的銷售經理給您精準的報價以及產品介紹

