雪崩模式定義
所有半導體器件都具有一定的最大反向電壓額定值(功率 MOSFET 的 BV DSS)。高于此閾值的操作將導致反向偏置 pn 結中的高電場。
由于碰撞電離,高電場會產生電子-空穴對,這些電子-空穴對會產生倍增效應,從而導致電流增加。流過器件的反向電流會導致高功耗、相關的溫升和潛在的器件損壞。
工業應用中發生的雪崩
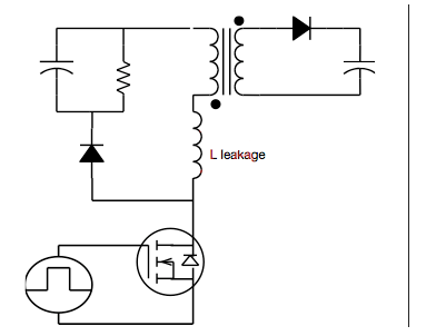
反激式轉換器電路
一些設計者不允許雪崩操作;相反,在額定 BV DSS 和 VDD 之間保持電壓降額(通常為 90% 或更少)。
然而,在這種情況下,可能會出現超出計劃的電壓尖峰的情況并不少見,因此即使是最好的設計也可能會遇到非頻率雪崩事件。圖 1 顯示了一個這樣的示例,即反激式轉換器。

反激式轉換器電路
在反激式轉換器的 MOSFET 操作期間,能量存儲在漏電感中。如果電感未正確鉗位,在 MOSFET 關斷期間,漏電感通過初級開關放電,并可能導致雪崩操作,如圖 2 和 3 中 VDS、ID 和 VGS 與時間的關系波形所示。

雪崩波形下的反激式轉換器開關:

雪崩波形下的反激式轉換器開關(詳細)
雪崩故障模式
一些功率半導體器件設計為在有限時間內承受一定量的雪崩電流,因此可以達到雪崩額定值。其他人會在雪崩開始后很快失敗。性能差異源于特定的設備物理、設計和制造。
功率 MOSFET 器件物理
所有半導體器件都包含器件物理設計固有的寄生元件。
在功率 MOSFET 中,這些組件包括由于 p 和 n 區之間的結中的電荷轉移而產生的電容器、與材料電阻率相關的電阻器、在 p+ 體擴散進入 n- 外延層時形成的體二極管,以及 NPN(雙極結型晶體管此后稱為 BJT) 序列 (BJT),在 n+ 源極觸點擴散的地方形成。
請參見圖 4 了解包含上面列出的寄生元件的功率 MOSFET 橫截面,參見圖 5 了解器件的完整電路模型。

功率 MOSFET 橫截面:

功率MOSFET電路模型在雪崩中,充當二極管的 pn 結不再阻斷電壓。施加更高的電壓會達到臨界場,其中碰撞電離趨于無窮大,載流子濃度由于雪崩倍增而增加。
由于徑向場分量,器件內部的電場在結彎曲處最強。這種強電場會在寄生 BJT 附近產生最大電流,如下圖 6 所示。功耗會增加溫度,從而增加 RB,因為硅電阻率隨溫度增加。
根據歐姆定律,我們知道在恒定電流下增加電阻會導致電阻兩端的電壓降增加。當壓降足以正向偏置寄生 BJT 時,

雪崩下的功率 MOSFET 截面
功率 MOSFET 用戶應注意了解不同供應商之間雪崩額定條件的差異。不是“雪崩穩健”的設備可能會導致意外和看似無法解釋的電路故障。
一些制造商根本沒有對他們的 MOSFET 進行雪崩評級。其他人單獨使用統計評級,這不能為更完整的表征和評級提供的穩健操作提供相同的保證。
電話:18923864027(同微信)
QQ:709211280
〈烜芯微/XXW〉專業制造二極管,三極管,MOS管,橋堆等,20年,工廠直銷省20%,上萬家電路電器生產企業選用,專業的工程師幫您穩定好每一批產品,如果您有遇到什么需要幫助解決的,可以直接聯系下方的聯系號碼或加QQ/微信,由我們的銷售經理給您精準的報價以及產品介紹

