開關電源工作經驗
1. 變壓器圖紙、PCB、原理圖這三者的變壓器飛線位號需一致,這是安規要求。很多工程師在申請安規提交資料時會犯這個錯誤。
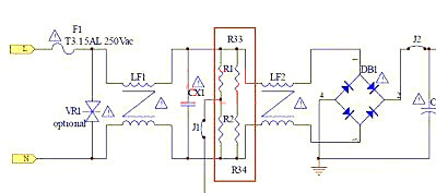
2. X 電容的泄放電阻需放兩組。UL62368、CCC 要求斷開一組電阻再測試 X 電容的殘留電壓。
這是很多新手會犯的一個錯誤,修正只能重新改 PCB Layout,浪費自己和采購打樣的時間。

3. 變壓器飛線的 PCB 孔徑需考慮到飛線直徑,必要時預留兩組一大一小的 PCB 孔,避免組裝困難或過爐空焊問題。
安規申請通常會有一個系列,比如說 24W 申請一個系列,其中包含 4.2V-36V 電壓段,輸出低壓4.2V 大電流和高壓36V 小電流的飛線線徑是不一樣的。
多根飛線直徑計算參考如下表格:

4. 輸出 DC 線材的 PCB 孔徑需考慮到線材直徑,避免組裝困難。
因為你的 PCB 可能會用在不同電流段上,比如5V/8A 和 20V/2A 使用的線材是不一樣的。
參考如下表格:

5. 電路調試,OCP 限流電阻多個并聯的阻值要設計成一樣,阻值越大的那顆電阻承受的功率越大。
6. 電路設計,散熱片引腳的孔做成長方形橢圓形 (經驗值:2*1mm),避免組裝困難。
橢圓形的孔方便散熱器有個移動的空間,這對組裝和過爐是非常有利。
7. 電路調試,異常測試時,輸出電壓或 OVP 設計要小于 60Vac (Vpk) /42.4Vdc (Vrms),這是安規要求。
新手比較容易忽略,所以申請的產品一定要做 OVP 測試,抓輸出瞬間波形。
8. 電路設計,電解電容的防爆孔距離大于2mm,臥式彎腳留1.5mm。一般正規公司都有這個要求,防爆孔的問題日本比較重視,特殊情況除外。
9. 電路調試,輸出有 LC 濾波的電路需要老化確認紋波,如果紋波異常請調整環路。這一點很重要,我之前經常碰到這個問題,產線老化后測試紋波會變高,現象是環路震蕩。
10. 電路調試,二極管并聯時,應該測試一顆二極管故障開路時, 產生的異常 (包括 TO-220 里的兩顆二極管)。小公司一般都不會做這個動作的,一款的產品是要經得起任何考驗的。
11. 電路設計,如果 PCB 空間充裕,請設計成通殺所有安規標準,以減少 PCB 修改次數。
假設某一產品只符合 UL60335標準,如客戶希望滿足 UL1310,需要修改 PCB Layout 并拿去安規報備。如果一開始即符合各類標準,后面的工作會輕松很多。
12. 電路設計,ESD 設計成接觸±8KV/空氣±15KV 標準,減少后續整改次數。
13. 電路設計,設計變壓器時,VCC 電壓在輕載電壓要大于 IC 的欠壓關斷電壓值。判斷空載 VCC 電壓需大于芯片關斷電壓的 5V 左右,同時確認滿載時不能大于芯片過壓保護值。
14. 電路設計,設計共用變壓器需考慮到使用輸出電壓時的 VCC 電壓,低溫時 VCC 有稍微 NOSIE 會碰觸 OVP 動作。
如果你的產品9V-15V 是共用一個變壓器,請確認 VCC 電壓和功率管耐壓。
15. 電路調試,Rcs 與 Ccs 值不能過大,否則會造成 VDS 超過耐壓炸機。
〈烜芯微/XXW〉專業制造二極管,三極管,MOS管,橋堆等,20年,工廠直銷省20%,上萬家電路電器生產企業選用,專業的工程師幫您穩定好每一批產品,如果您有遇到什么需要幫助解決的,可以直接聯系下方的聯系號碼或加QQ/微信,由我們的銷售經理給您精準的報價以及產品介紹
電話:18923864027(同微信)
QQ:709211280
〈烜芯微/XXW〉專業制造二極管,三極管,MOS管,橋堆等,20年,工廠直銷省20%,上萬家電路電器生產企業選用,專業的工程師幫您穩定好每一批產品,如果您有遇到什么需要幫助解決的,可以直接聯系下方的聯系號碼或加QQ/微信,由我們的銷售經理給您精準的報價以及產品介紹

