場效應管輸入性測量放大電路圖

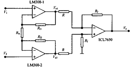
集成精密差動放大電路圖

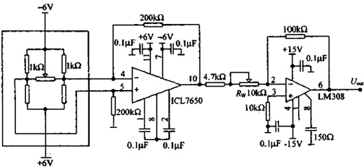
懸置電橋差動放大電路圖

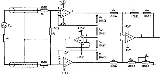
前置放大電路圖

〈烜芯微/XXW〉專業制造二極管,三極管,MOS管,橋堆等,20年,工廠直銷省20%,上萬家電路電器生產企業選用,專業的工程師幫您穩定好每一批產品,如果您有遇到什么需要幫助解決的,可以直接聯系下方的聯系號碼或加QQ/微信,由我們的銷售經理給您精準的報價以及產品介紹
聯系號碼:18923864027(同微信)
QQ:709211280





傳真:
18923864027
QQ:
709211280
地址:
深圳市福田區振中路84號愛華科研樓7層