三端穩壓器有三個引腳,分別為輸入端、輸出端和地(公共端),按功能可分為固定式穩壓電路和可調式穩壓電路,固定式就是輸出電壓為固定的,而可調式可以通過外接元件使輸出電壓得到很寬的調節范圍。
三端穩壓器主要有兩種,一種輸出電壓是固定的,稱為固定輸出三端穩壓器,另一種輸出電壓是可調的,稱為可調輸出三端穩壓器,其基本原理相同,均采用串聯型穩壓電路。在線性集成穩壓器中,由于三端穩壓器只有三個引出端子,具有外接元件少,使用方便,性能穩定,價格低廉等優點,因而得到廣泛應用。
固定式三端穩壓器:
三端穩壓器的通用產品有78系列(正電源)和79系列(負電源),輸出電壓由具體型號中的后面兩個數字代表,有5V,6V,8V,9V,12V,15V,18V,24V等檔次。輸出電流以78(或79)后面加字母來區分L表示0.1;AM表示0.5A,無字母表示1.5A,如78L05表示5V 0.1A。
固定式三端穩壓器典型應用電路


可調式三端穩壓器:
可調式三端穩壓器和固定式同樣有三個引腳,分別為輸入端、輸出端和調整端。可調式三端集成穩壓器輸出電壓可調,穩壓精度高,輸出紋波小,只需外接兩只不同的電阻,即可獲得各種輸出電壓。三端可調式穩壓器品種繁多,如正壓輸出的317(217/117)系列、123系列、138系列、140系列、150系列;負壓輸出的337系列等,它的線性調整率和負載調整率要比固定式穩壓器好。
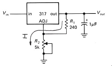
可調式三端穩壓器應用電路


可調式三端穩壓器的主要應用就是實現輸出電壓可調的穩壓電路,所以外接采樣電穩壓電路不可缺少的部分,其317典型電路如上圖。
三端穩壓器使用注意
在使用時必須注意:(VI)和(Vo)之間的關系,以7805為例,該三端穩壓器的固定輸出電壓是5V,而輸入電壓至少大于7V,這樣輸入/輸出之間有2-3V及以上的壓差。使調整管保證工作在放大區。但壓差取得大時,又會增加集成塊的功耗,所以,兩者應兼顧,即既保證在最大負載電流時調整管不進入飽和,又不至于功耗偏大。
另外一般在三端穩壓器的輸入輸出端接一個二極管,用來防止輸入端短路時,輸出端存儲的電荷通過穩壓器,而損壞器件。
用途:
一般穩壓管和穩壓三級管的用途是一樣的,都用于控制板電路的穩壓,以防止電壓過高燒毀電路。
〈烜芯微/XXW〉專業制造二極管,三極管,MOS管,橋堆等,20年,工廠直銷省20%,上萬家電路電器生產企業選用,專業的工程師幫您穩定好每一批產品,如果您有遇到什么需要幫助解決的,可以直接聯系下方的聯系號碼或加QQ/微信,由我們的銷售經理給您精準的報價以及產品介紹
聯系號碼:18923864027(同微信)
QQ:709211280

