光耦合器(opticalcoupler equipment,OCEP)亦稱光電隔離器或光電耦合器,簡稱光耦。它是把發光器件(如發光二極體)和光敏器件(如光敏三極管)組裝在一起,通過光線實現耦合構成電—光和光—電的轉換器件,從而起到輸入、輸出、隔離的作用。
光耦是一種電子元器件,用于隔離輸入與輸出,使得兩個不同的電路之間可以進行光電轉換。
光耦是隔離傳輸器件,原邊給定信號,副邊回路就會輸出經過隔離的信號。
光耦工作原理
以下圖說明光耦的工作:


原邊輸入信號 Vin,施加到原邊的發光二極管和 Ri 上產生光耦的輸入電流 If,If 驅動發光二極管,使得副邊的光敏三極管導通,回路VCC、RL 產生 Ic,Ic 經過 RL 產生Vout,達到傳遞信號的目的。原邊副邊直接的驅動關聯是CTR(電流傳輸比),要滿足 Ic≤If*CTR。
光耦參數
輸入特性:
1. 正向工作電壓Vf(Forward Voltage)
Vf是指在給定的工作電流下,LED本身的壓降。常見的小功率LED通常以If=20mA來測試正向工作電壓,當然不同的LED,測試條件和測試結果也會不一樣。
2. 反向電壓Vr(Reverse Voltage )
是指LED所能承受的最大反向電壓,超過此反向電壓,可能會損壞LED.在使用交流脈沖驅動LED時,要特別注意不要超過反向電壓。
3. 反向電流Ir(Reverse Current)
通常指在最大反向電壓情況下,流過LED的反向電流。
4. 允許功耗Pd(Maximum Power DissipaTIon)
LED所能承受的最大功耗值。超過此功耗,可能會損壞LED.
5. 中心波長λp(Peak Wave Length)
是指LED所發出光的中心波長值。波長直接決定光的顏色,對于雙色或多色LED,會有幾個不同的中心波長值。
6. 正向工作電流If(Forward Current)
If是指LED正常發光時所流過的正向電流值。不同的LED,其允許流過的最大電流也會不一樣。
7. 正向脈沖工作電流Ifp(Peak Forward Current)
Ifp是指流過LED的正向脈沖電流值。為保證壽命,通常會采用脈沖形式來驅動LED,通常LED規格書中給中的Ifp是以0.1ms脈沖寬度,占空比為1/10的脈沖電流來計算的。
輸出特性:
1. 集電極電流Ic(Collector Current)
光敏三極管集電極所流過的電流,通常表示其最大值。
2. 集電極-發射極電壓Vceo(C-E Voltage)
集電極-發射極所能承受的電壓。
3. 發射極-集電極電壓Veco(E-C Voltage)
發射極-集電極所能承受的電壓
4. 反向截止電流Iceo
5. C-E飽和電壓Vce(sat)(C-E SaturaTIon Voltage)
光耦的工作特性
以輸入端工作電流(IF)為例,當輸入端電流小于某一值時,光耦處于失效狀態;當輸入端電流大于這個值時,輸出端會有明顯的光電轉換效果。
另外,光耦的最大持續工作電流(IFSM)與輸出端最大電流(ICmax)也是非常重要的參數,通常需要根據具體的使用場景來選擇光耦的型號。
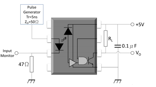
光耦典型應用電路圖

〈烜芯微/XXW〉專業制造二極管,三極管,MOS管,橋堆等,20年,工廠直銷省20%,上萬家電路電器生產企業選用,專業的工程師幫您穩定好每一批產品,如果您有遇到什么需要幫助解決的,可以直接聯系下方的聯系號碼或加QQ/微信,由我們的銷售經理給您精準的報價以及產品介紹

〈烜芯微/XXW〉專業制造二極管,三極管,MOS管,橋堆等,20年,工廠直銷省20%,上萬家電路電器生產企業選用,專業的工程師幫您穩定好每一批產品,如果您有遇到什么需要幫助解決的,可以直接聯系下方的聯系號碼或加QQ/微信,由我們的銷售經理給您精準的報價以及產品介紹
聯系號碼:18923864027(同微信)
QQ:709211280

